易丝帮讯 近日,清华大学张洪玉等人发明提供一种骨诱导膜,包括多个纳米纤维,纳米纤维包括聚合物基体以及含有镁、锂和硅元素的纳米硅酸盐,纳米硅酸盐占所述聚合物基体的质量百分比为1%至10%。骨诱导膜的制备方法,包括:将聚合物、纳米硅酸盐与有机溶剂混合,制备含有聚合物及纳米硅酸盐的纺丝液;通过静电纺丝将纺丝液制成纳米纤维,并形成纳米纤维膜;以及将纳米纤维膜干燥,得到骨诱导膜。
据悉,手术切除的骨缺损,严重影响了人体骨组织的生理功能,是目前骨科临床最常见的、最棘手的问题之一。临床上治疗骨缺损最常用的方法是骨移植或人工替代物置换等,这些方法往往存在供体有限、易引发免疫排斥反应等问题,大大限制了在骨修复中的应用。而当前对于合适的骨替代物的需求正与日俱增,骨修复再生材料也因此应运而生。传统的骨诱导技术中,通常是将可生物降解的聚合物制备成纤维膜,同时在纤维膜中载入促进骨生长的生长因子,如BMP-2,但是往往来说该类生长因子价格昂贵、且高剂量的情况下毒副作用大,低剂量时又很难达到想要的效果且植入人体之后容易失去活性,在使用上受到很大程度的限制。
基于此,该发明提供的骨诱导膜将有机的聚合物基体与无机的含有镁、锂及硅元素的纳米硅酸盐材料相结合,得到一种有机/无机结构的特殊纳米纤维的膜材料。通过将无机的纳米硅酸盐颗粒复合到有机的聚合物基体中,并调整聚合物基体与纳米硅酸盐之间的质量比来调整纳米硅酸盐的释放速度,以及纳米纤维的力学性能及生物活性等性质,可以提高骨诱导膜的生物活性以及骨诱导性。纳米硅酸盐中含有的镁、锂、硅等元素对成骨具有促进作用。在成骨过程中随着纳米硅酸盐的降解,镁、锂、硅等离子逐渐被释放出来,三者之间相互协同作用,可以使骨诱导膜在不含有骨生长因子的条件下,就可以达到很好的成骨效果,且毒副作用小、价格合适,有利于在临床中的应用及推广。

图1 纳米硅酸盐浓度0%的骨诱导膜扫描电镜图;

图2 纳米硅酸盐浓度1%的骨诱导膜扫描电镜图;

图3 纳米硅酸盐浓度5%的骨诱导膜扫描电镜图;

图4 纳米硅酸盐浓度10%的骨诱导膜扫描电镜图;

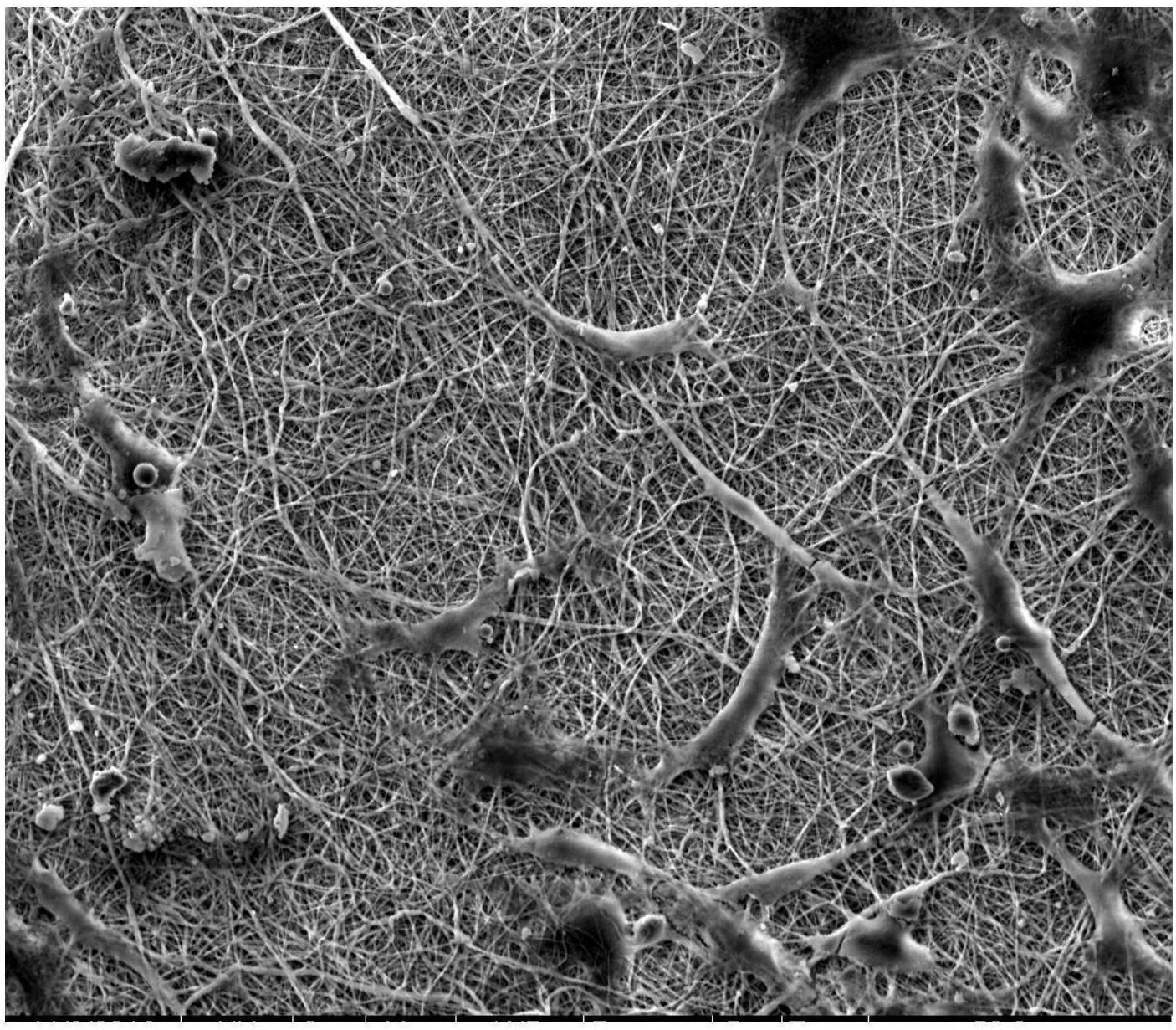
图7 纳米硅酸盐浓度1%的骨诱导膜MC3T3-e1细胞粘附状态扫描电镜图;

图8 第7天不同浓度纳米硅酸盐的骨诱导膜上MC3T3-e1细胞的碱性磷酸酶(ALP)活性分析;

图9 第14天不同浓度纳米硅酸盐的骨诱导膜的茜素红(AR)半定量测定;

图10 不同浓度纳米硅酸盐的骨诱导膜的骨钙素染色照片平均光密度值分析。
附:专利信息
专利名 骨诱导膜及其制备方法
申请号 201810123070 .4
申请日 2018 .02 .07
申请人 清华大学
发明人 张洪玉 王毅
Int .Cl .
D04H 1/728( 2012 .01 )
D01D 5/00( 2006 .01 )